logo
English
Contact Us

Contact Person : Dina Huang

Phone Number : 18761502682

WhatsApp : +8618761502682

Free call

Application of Acrel Medical Isolated Power Supply System in Luanda General Hospital, Angola

December 15, 2021

Latest company case about Application of Acrel Medical Isolated Power Supply System  in Luanda General Hospital, Angola

Abstract: Diagnosis and treatment in modern hospitals are inseparable from advanced medical equipment, which are inseparable from safe and reliable power supply. Many operations often last for several hours, and the consequences of a sudden power failure during the operation are unimaginable. At the same time, many medical devices directly touch or penetrate into the human organs. At this time, the very small leakage current will threaten the life of the patient. Therefore, the national standards have made clear requirements, medical group 2 locations must be powered by IT system. This article introduces the application of Acrel Medical IT System in Luanda General Hospital, Angola.

Keywords: Medical IT system, Insulation monitoring device, Alarm indicators.

 

1. Project Overview

Luanda General Hospital in Angola is a China-aided reconstruction and expansion project of Luanda General Hospital in Angola undertaken by China Railway Fourth Bureau. The project uses 8 sets of Acrel medical IT system products. They are AITR series isolation transformer, AKH-0.66P26 current transformer, AIM-M series insulation monitoring device, AID series remote alarm indicator and DC power supply unit.

 

2. Introduction of Medical Isolated Power Supply System 

The medical isolated power supply system is to switch the grounding system (TN-S system) into ungrounded system (IT system) through a medical isolation transformer to supply power for important medical equipment. The insulation monitoring device has the function of insulation monitoring and fault locator has the function of fault circuit locating.

 

3. Acrel Medical Isolated Power Supply System Solutions 

Acrel medical isolated power supply system is suitable for operating room, ICU, CCU and other medical group 2 locations providing safe and uninterruptible power supply. It mainly includes AITR series isolation transformer, AKH-0.66P26 current transformer, AIM-M series insulation monitoring device, AID series remote alarm indicator, DC power supply, ASG series test signal generator and AIL series insulation fault locator.

3.1 Acrel Medical Isolated Power Supply System for Operating Room 

latest company case about Application of Acrel Medical Isolated Power Supply System  in Luanda General Hospital, Angola  0

Option I without insulation fault location function

latest company case about Application of Acrel Medical Isolated Power Supply System  in Luanda General Hospital, Angola  1

Option II with insulation fault location function

Note: 1. For operating room, AID series alarm indicator should be installed on the intelligence panel inside the operating room, or next to the intelligence panel (wall mounted installation) so that medical personnel can immediately receive a notification when there is power supply failure.

         2. In Option II,if the number of located channels is more than eight,two sets of AIL150 can be used. The combination can be AIL150-8 and AIL150-4 (up to 12 channels), or AIL150 -8 and AIL150-8 (up to 16 channels).

3.2Acrel Medical Isolated Power Supply System for ICU and CCU ICU,CCU

latest company case about Application of Acrel Medical Isolated Power Supply System  in Luanda General Hospital, Angola  2

Option I without insulation fault location function

latest company case about Application of Acrel Medical Isolated Power Supply System  in Luanda General Hospital, Angola  3

Option II with insulation fault location function

Note: For intensive care unit , AID series alarm indicator should be installed in the nurses 'station so that medical personnel can monitor the operating status of isolated power supply system.

3.3Product Selection

latest company case about Application of Acrel Medical Isolated Power Supply System  in Luanda General Hospital, Angola  4

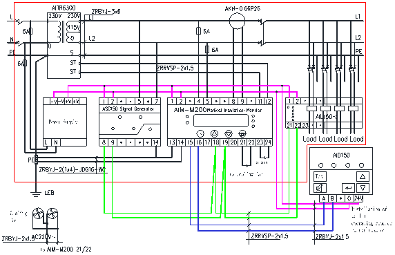
4. Connection Diagram接线图

latest company case about Application of Acrel Medical Isolated Power Supply System  in Luanda General Hospital, Angola  5

5.Installation Photos

latest company case about Application of Acrel Medical Isolated Power Supply System  in Luanda General Hospital, Angola  6

latest company case about Application of Acrel Medical Isolated Power Supply System  in Luanda General Hospital, Angola  7

6. Conclusion 总结

After expansion and reconstruction, Luanda General Hospital has become the largest hospital in Angola. The Acrel medical IT system provides safe and realible power supply for hospitals, effectively improving the local medical conditions and benefiting the local people.

 

Bibliography

1. IT System Insulation Monitoring Device and Fault Location System of Acrel. 2020

2. IEC 60354-7-710: 2002 Electrical installations of buildings-Part 7-710:Requirements for special installations or locations - Medical locations. 2002

3. IEC 61558-1-15:2011 Safety of transformers, reactors, power supply units and combinations thereof-Part 2-15: particular requirements and tests for isolating transformers for the supply of medical locations. 2011

Get in touch with us

Enter Your Message

dina.huang@email.acrel.cn
+8618761502682
18761502682
18761502682
18761502682